Home > Basics > Arduino Hands-On - TM1637 Four-Digit LED Display

Arduino Hands-On - TM1637 Four-Digit LED Display

Experiment:4-Digit LED Display Module 0.36 inch with Adjustable Brightness and Colon (TM1637)

TM1637

The Tianwei LED digital tube driver chip, is a specialized LED (light-emitting diode display) driver control circuit with a keyboard scanning interface. It integrates an MCU digital interface, data latch, LED high-voltage driver, keyboard scanning circuits internally. It boasts excellent performance and reliable quality. Mainly used in the display screen driving of electromagnetic cookers, microwave ovens, and small household appliances. Packaged in DIP/SOP20 form.

TM1637Features:

Utilizes power CMOS technology

Display mode (8 segments x 6 bits), supports common cathode digital tube output

Key scanning (8x2 bits), enhanced anti-interference key recognition circuit

Brightness adjustment circuit (8 levels of adjustable duty cycle)

Two-wire serial interface (CLK, DIO)

Oscillation method: Built-in RC oscillation (450KHz + 5%)

Built-in power-on reset circuit

Built-in automatic dimming circuit

Package form: DIP20/SOP20

LED Segment Displays are devices composed of multiple light-emitting DIODES packaged together to form a "8" shaped unit. The leads are internally interconnected, requiring only the individual strokes and common cathode to be exposed. In actuality, the segment display consists of seven light-emitting tubes forming the shape of an "8", with the addition of a decimal point totaling to eight segments. These segments are denoted by the letters a, b, c, d, e, f, g, dp. When a specific segment of the LED display is supplied with voltage, that particular segment lights up, creating the desired visual representation for our eyes. For example, to display the number "2", segments a, b, g, e, and d should light up while segments f, c, and dp remain unlit. LED Segment Displays come in various brightness levels such as standard and super bright, as well as different sizes like 0.5 inches,1 inch, etc. Smaller LED segment displays typically use a single light-emitting diode for each stroke, while larger displays may consist of two or more light-emitting diodes per segment. Generally, the forward voltage drop of a single LED is around 1.8V, with a current not exceeding 30mA. When the anodes of the LEDs are connected together and linked to the positive power supply, it is referred to as a common cathode LED segment display. Conversely, when the cathodes of the LEDs are connected together and linked to the negative power supply, it is known as a common anode LED segment display. Commonly displayed numbers and characters on LED segment displays include 0-9 and A-F.

The TM1637 4-Digit LED Display Module is a 12-pin display module featuring four 0.36-inch common anode LED displays with a colon, controlled by the TM1637 driver chip. With just 2 signal lines, this module enables a microcontroller to control four 8-segment LED displays. Its main features include:

● Display consisting of four common anode red digit LED displays

● 8 levels of adjustable brightness for the LED displays

● Control interface voltage level can be set to either 5V or 3.3V

● Equipped with 4 M2 screw positioning holes for easy installation

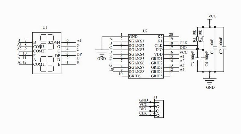
TM1637 4-Digit LED Display Module Electrical Schematic

TM1637 4-Digit LED Display Module Electrical Schematic

 

Open Source Code for TM1637 4-Digit LED Display Module Experiment

Open Source Code for TM1637 4-Digit LED Display Module Experiment

 

Open Source Graphical Programming Experiment

Open Source Graphical Programming Experiment

 

Open Source Simulation Programming Experiment

Open Source Simulation Programming Experiment

 

Experiment Scene Image of TM1637 4-Digit LED Display Module

Experiment Scene Image of TM1637 4-Digit LED Display Module

 

Application Case of TM1637 4-Digit LED Display Module - Using domestic simulation programming software LinkBoy, Ultrasonic Intelligent Control Rangefinder

Application Case of TM1637 4-Digit LED Display Module - Using domestic simulation programming software LinkBoy, Ultrasonic Intelligent Control Rangefinder

 

Prev:  The World of Microprocessors and Microcontrollers with Unikeyic
Next:  How to choose multi-core cables for bulk procurement, Unikeyic shares selection tips!
Would you like more details or pricing on the components mentioned above? Please complete the form below.
Submit Inquiry / Request Info